I sistemi di raddrizzamento ESB da 48 V CC e 200 A sono stati specificamente personalizzati per il progetto di ammodernamento di una stazione base per telecomunicazioni in Sud America. Questi robusti sistemi forniscono l'alimentazione essenziale alle apparecchiature all'interno delle stazioni, garantendo un funzionamento ininterrotto anche in condizioni difficili, migliorando così la stabilità dei servizi di comunicazione.
Panoramica del sistema
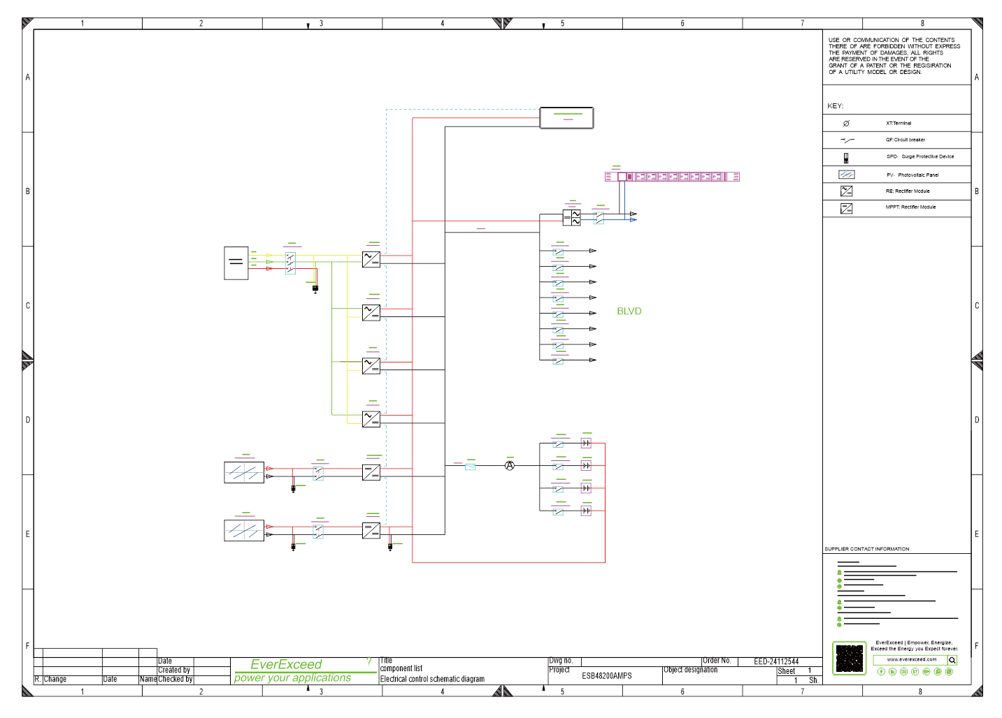
I sistemi raddrizzatori per telecomunicazioni della serie ESB personalizzati sono progettati secondo il concetto di "sistema di alimentazione multifunzionale integrato per stazione base". Includono il modulo raddrizzatore, il modulo MPPT solare, l'inverter, la batteria al litio, il modulo di monitoraggio, la PDU (unità di distribuzione dell'alimentazione) e l'armadio della stazione base in un'unica piattaforma.
| Specifiche generali | Specifiche generali | |
| Modello | ESB48VDC200A |
|
| Temperatura di funzionamento | da -10°C a +45°C | |
| Temperatura di conservazione | -25°C~70°C (escluse le batterie) | |
| Umidità relativa | 5%~95% RH (nessuna condensazione di umidità) | |
| Altitudine | 2000 m Max senza declassamento | |
| Ventola di raffreddamento | 21W*2 | |
| Grado di protezione IP | IP20 | |
| Dimensioni (mm) | L600*P900*A2000 | |
Punto culminante del design
Tutto in uno: L'armadio è altamente integrato. È particolarmente adatto alle esigenze delle reti di comunicazione che richiedono rapidità di implementazione, funzionamento efficiente ed espansione flessibile.
Progettazione del monitoraggio dell'interruttore automatico: Integra molteplici meccanismi di protezione (sovraccarico, cortocircuito, sottotensione) per monitorare lo stato e i parametri dell'interruttore in tempo reale. Supporta la gestione remota per rilevare tempestivamente potenziali guasti.
Progettazione della distribuzione multi-potenza: Combina alimentazione CC, batteria bidirezionale e distribuzione fotovoltaica, tutti dotati di protezione da sovratensioni. La distribuzione CC include BLVD per prevenire la scarica eccessiva della batteria, prolungandone la durata.
Progettazione del modulo sostituibile a caldo: I moduli hot-swap 1U supportano la sostituzione a caldo online, garantendo un'alimentazione continua alla batteria e al carico. I moduli sono dotati di condivisione intelligente della corrente, backup ridondante e regolazione flessibile della potenza in uscita.
Sistema di monitoraggio centralizzato: Il sistema di monitoraggio FSU integrato con architettura B/S supporta l'accesso alla rete. Monitora centralmente i moduli raddrizzatori, i moduli MPPT fotovoltaici, gli inverter e le batterie al litio, offrendo un'interfaccia utente completa e un'esperienza interattiva.
Progettazione della protezione contro le sovratensioni: Dotato di SPD AC, SPD PV e SPD DC (protezioni contro le sovratensioni), con fusibili sostituibili a caldo per una facile sostituzione, protegge efficacemente le apparecchiature dai fulmini e dalle sovratensioni transitorie a frequenza di rete.
Scansiona su WeChat:everexceed
